您好,欢迎来到台硕集团名下台硕检测设备(苏州)有限公司官网!
拉力试验机厂家
华东著名实验仪器品牌,中国优秀检测仪器供应商

18013147399

全国咨询服务热线 欢迎来电洽谈!

P roducts center 牧象产品中心

联系我们


联系我们

台硕检测设备(苏州)有限公司

服务热线:18013147399

移动电话:18115517817

售后服务专线:+86-0512-66551793、18616687110
传真:+86-0512-66551793

制造中心:苏州市吴中区北官渡路38号吴中科技城

公司官网:www.szmxyq.cn

E-mail: 18115517817@qq.com


您当前的位置:首页 > 产品中心 > 夹具及光栅尺 >

1100-500万能材料试验机

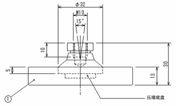
名称:拉力机压缩夹具
详细信息 : 型号:非标
  • 售前QQ: 18115517817 13405131752
                   
  • 售后QQ: 376561747 983904603
  • 立即咨询客服

    • 用途:适用于寻求材料力与形变关系的实验,可对金属,非金属的原材料、加工件、成品进行拉伸、弯曲、剥离、压缩、压陷、附着力、撕裂等多项力学实验及数据分析。
       
      适用行业:建材、合金、电线电缆、建筑、金属和非金属板材、棒材等行业。
       
      技术参数:
      材质:高碳钢
      适用机床:拉力试验机
      最大负荷:可定制
      适用仪器:拉力试验机

      结构图:
      压缩夹具结构图
       
      上一篇:没有了
      下一篇:楔形拉伸夹具
    检测仪器厂家牧象检测仪器二维码版权所有©台硕检测设备(苏州)有限公司 苏ICP备16000983号-5
    全国服务电话:18013147399 传真:0512-66551793
    地址:苏州市吴中区北官渡路38号吴中科技城   技术支持:苏州牧象
    总部地址:上海松江区小昆山镇